產品中心
專用產品

首頁->產品中心->兩相交流高速步進電機系列

兩相交流高速步進電機系列

高速電機57系列

產品詳情

blob.png

動態力矩曲線圖:

blob.png

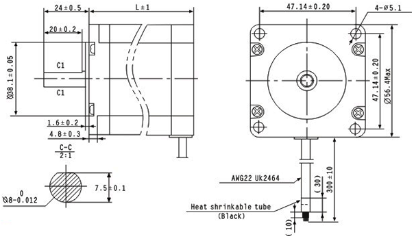
機械尺寸圖:

blob.png

上一個:
下一個:
?

2006-2024 深圳市鼎拓達機電有限公司版權所有 粵ICP備05142847號 技術支持:神州通達網絡

深圳總公司:

電話:0755-25796858 

傳真:0755-25796696 

郵箱:sales@dt-me.com 

地址:廣東省深圳市南山區西麗街道麻磡社區麻磡路18號工業區8棟5樓




華中辦事處:童仁青  18975332020 

地址:湖南省長沙縣星沙大道39號財富港灣1棟2單元1613號

華東辦事處:朱興科 18128820282  

地址:江蘇省蘇州市昆山市昆山開發區四季華城32棟2單元1503

 
微信掃一掃   手機掃一掃
在線客服
主站蜘蛛池模板: 靖边县| 波密县| 重庆市| 南投县| 孟连| 胶州市| 金川县| 电白县| 大兴区| 始兴县| 新蔡县| 调兵山市| 准格尔旗| 黄大仙区| 昌黎县| 湟中县| 元氏县| 沾益县| 乌苏市| 南宫市| 崇义县| 清河县| 栖霞市| 昌平区| 南通市| 习水县| 桃源县| 清徐县| 夹江县| 克拉玛依市| 惠安县| 云龙县| 始兴县| 紫金县| 怀仁县| 浏阳市| 银川市| 清远市| 咸宁市| 巴青县| 永定县|